![]()
share
With the advent of the PD3.1 era and the rapid development of the mobile Internet, people's lives are increasingly inseparable from the mobile Internet, and there are more and more products such as mobile phones, notebooks, and tablets on the market. What follows is a wide variety of charging interfaces and charging protocols, which makes consumers have to buy a variety of chargers. The proliferation of chargers has also become a major worry for consumers.
In order to solve this problem and other types of pain points that may occur, MERCHIP has launched a full range of fast charging and discharging platforms. At present, this series of development platforms has been mass-produced by Baseus and other large customers.
M12359, as the star product of the fast charging and discharging platform, has multiple breakthrough technologies of MERCHIP water core electronics. It is a multi-port fast charging SOC chip with intelligent power distribution, which has the function of intelligent power distribution and supports PD3.1 protocol. It supports stepless dynamic power distribution technology when dual C ports output at the same time. When the dual C ports are fast charged at the same time, the A port can also support earphone charging. The maximum output power of the two C ports can reach 140W.
Not only that, the chip also broke through a number of technical bottlenecks in the industry, realizing simultaneous fast charging of 140W Apple notebooks and Apple mobile phones, and the A port can also provide the world's highest integration solution for earphone charging, with its intelligent functions and ultra-high performance Refresh the industry perception again. This is also the first self-developed chip in my country to realize the "stepless dynamic power distribution" scheme of Apple's custom chip after Apple released the dual C-port 35W charger.
At the same time, MERCHIP has completely solved the "multi-port charging interference problem" unprecedentedly. That is to say, the insertion of the second mobile phone will not cause the first mobile phone to reset and restart, and then there will be headaches such as the screen of the mobile phone re-brightening and ding-dong ringing.
Highlight 1
M12359 is a C+CA three-port fast charge 140W PD3.1 independent step-down SOC chip. All three ports support fast charging. The two C ports of the chip are compatible with PD3.0/PPS, and expand the 28V/5A fixed PDO that supports the PD3.1 protocol and the AVS power output of 15~28V@5A. This is also the only single-chip solution in the industry that supports 3-port fast charging, with unparalleled advantages in integration and volume.
Highlight 2
The power distribution function of the M12359 is at its peak. Due to the integrated dual USB Type-C interface, M12359 can support two C port outputs. Each interface supports fast charging. When both interfaces are connected to the device, the output power of each interface will be dynamically adjusted "steplessly".
Highlight 3
With a peak efficiency of nearly 99% at full load, the M12359 has once again set a new record for the efficiency of high-power buck-boost power supplies, and its temperature performance is unparalleled.
Highlight 4
M12359 is the first in China to solve the industry problem that multiple loads will be reset when plugged in. Consumers no longer have to worry about the experience of the first mobile phone restarting charging, turning on the screen and beeping when a second mobile phone is inserted.
Highlight 5
M12359 has refreshed the highest integration level of multi-channel fast charging SOC chip. In addition to conventional units such as microprocessor, voltage converter, fast charging protocol controller, high-precision 16-bit ADC, security protection module, NTC temperature detection, fast charging protocol analysis, M12359 also integrates loop compensation, dual independent USB Type -C interface and display interface.
Highlight 6
M12359 refreshes the record of voltage accuracy, reaching 10mV accuracy. Thanks to the built-in high-precision, high-linearity analog-to-digital conversion function, the M12359 supports a minimum voltage sampling of 10mV and a voltage output with 10mV precision, and maintains high linearity at full scale, rather than segmented by most companies linear.
Highlight 7
M12359 integrates dual-channel USB Type-C interface, PDPHY and protocol layer analysis function, supports automatic detection of device plug-in and identification of device type, compatible with mainstream such as PD, QC, SCP, FCP, AFC, APPLE 2.4A, BC1.2DCP fast charging protocol. According to the power request of the connected equipment, it automatically matches the optimal voltage and current output.
Highlight 8
M12359 can realize cascading of 2 chips, and easily complete 4-6 channels of 4C2A ports to support "stepless power distribution" function output.
Highlight 9
The M12359 protocol single board can complete multi-channel fast charging, which improves production efficiency several times compared with multiple protocol single boards, and greatly reduces production costs.
Highlight 10
M12359 supports IIC interface, provides SDK toolkit and development environment, and supports customers' secondary development. From then on, the design of multi-port fast charging will become easy.
Highlight 11
The fast charging multi-port charging development platform can be applied to all customers' individual needs for multi-port charging, and the factory has fewer models and less inventory. At the same time, it also saves 80% of research and development time and manpower investment, and can achieve rapid mass production and shipment.
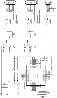
Schematic diagram of M12359 specification



